UN 200 系列

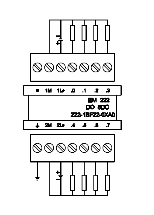
  • 型号:EM222 8点输出 晶体管

    订货号:UN 222-1BF22-0XA0
  • 产品参数
  • 接线图
  • 资料下载
  • 尺寸图
  • 技术参数
    总线消耗电流 65mA
    总功耗 2W
    输出点数 8DO 
    输出类型 晶体管
    额定电压 24VDC
    电压范围 20.4-28.8V DC
    额定电流 0.75A
    灯负载 5W
    切换频率 /
    触点机械寿命 /
    触点机械寿命(额定负载电压) /
    电缆长度(屏蔽) 500m
    电缆长度(非屏蔽) 150m
    尺寸(长*宽*高) 46*80*62

  • 名称
    文件描述
    文件格式
    更新时间
    预览/下载
  • UN 系列 PLC选型手册
    UN PLC选型手册V2.7.3
    2024.04.09
  • TOP

    业务咨询

    技术咨询

    技术咨询

    4000-300-890